SIEMENS S7-200 SMART PLC学习网页(综合)
云南省电子信息高级技工学校---电气工程技术中心
返回上一页
学习要求1:输入框、组合框及变量的定义及应用
设计完成使用触摸屏控制的电动机星三角降压启动控制系统
控制说明:
通过两个按键在触摸屏上完成系统的启动与停止(对应工位操作面板上的两个实体按钮);
用电动机图标显示电动机的通电与否;
电动机从星型切换到三角形的时间可以通过“自定义启动时间”输入框输入(单位为秒)(最小值为0,最大值为32767);
“当前延时计时”显示定时器的延时时间变化(单位为秒),计时结束后归零;
当前电动机状态后面的文字显示电动机的工作状态“停止”、“星型启动”、“三角形运行”;
工位操作台上使用三个指示灯分别模拟三个交流接触器的工作状态。
数据库参考设置
设备通道参考设置
输入框参考设置
定时器延时时间显示参考设置
定时器数值的转换
PLC与触摸屏连接变量示意
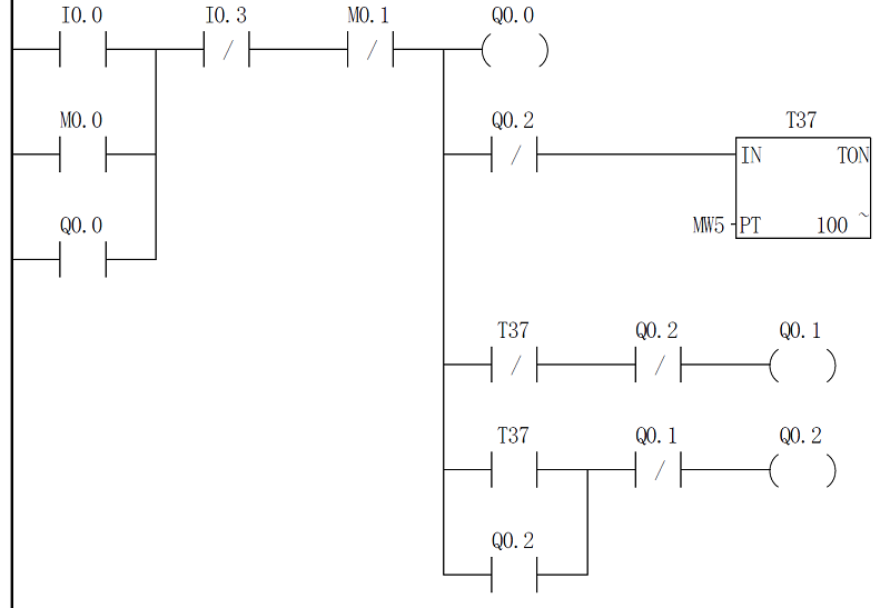
PLC参考程序
课堂随测参考界面
返回上一页
©2022-2026 - Daiyankun Studios